工業用キャビネットのドアロック配電キャビネット、通信キャビネット、制御ボックスおよびその他の機器の重要な保護部品であり、内部電気部品の安全性とシステムの安定した動作に直接関係します。
プロジェクトごとに多様化する納期や仕様に対応するため、当社では一般的に使用される5種類の錠前を常時在庫しております。ロングバーロック, パネルロック, ロッドコントロールロック, ハンドルロック,ロータリータングロック。同時に、図面やサンプルに従ってカスタマイズされた非標準のロックもサポートしており、あらゆる種類の金属製配電ボックスに最適です。
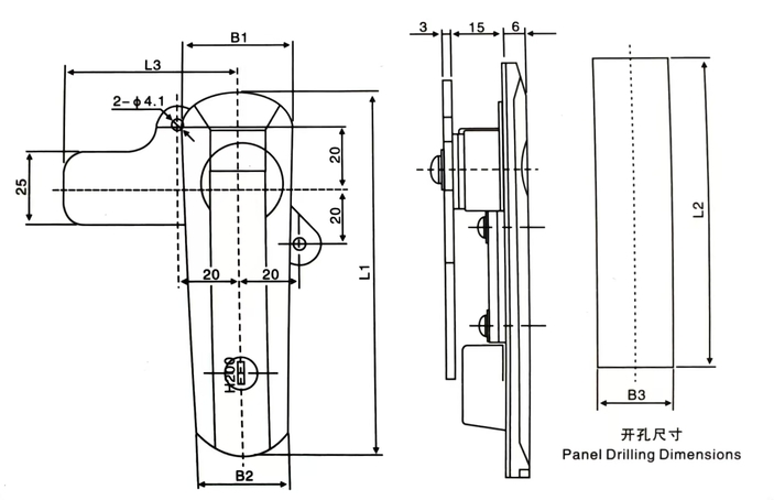
プレーン ロックは、工業用キャビネットのドア ロックの最も一般的なタイプの 1 つで、美しく、メンテナンスが簡単です。当社はAB301、AB302、AB303、AB402、AB403シリーズのプレーンロックを発売し、構造強度、保護性能、操作感の差別化された設計で、配電ボックス、制御盤の設置要件のさまざまな仕様を満たすことができます。
| 寸法 | 製品番号 | |||||||
| L1 | L2 | L3 | B1 | B2 | グレークロームメッキ | グレーのスプレーペイント | 黒色粉体塗装 | 重量(g) |
| 147 | 117 | 72 | 33 | 26.5 | AB301-1-1.2 | AB301-1-1.8 | AB301 | 370 |
| 120.5 | 95.5 | 65 | 30 | 23.5 | AB301-2-1.2 | AB301-2-1.8 | AB302 | 290 |
| 87.5 | 62.5 | 65 | 28.5 | 23.5 | AB301-3-1.2 | AB301-3-1.8 | AB303 | 215 |
主な材質:亜鉛合金。
表面処理:ブライトクローム、マット、ブラック。
機能と用途:左右のドア開きを実現し、使いやすく、密閉性と防水機能を備えています。
主な材質:亜鉛合金。
表面処理:ブライトクローム、マット、ブラック。
機能と用途:左右のドア開きを実現し、使いやすく、密閉性と防水機能を備えています。
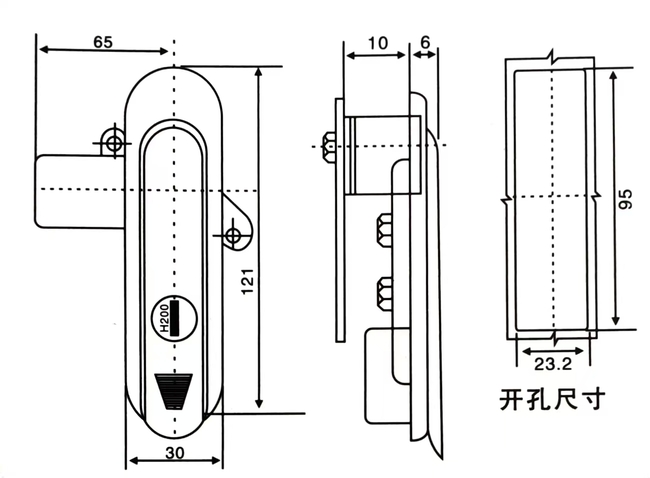
材質:亜鉛合金ロック本体、回転シャフト、亜鉛メッキ鋼ボルト、プレッシャープレート。
表面処理:シルバーグレーナノスプレー。
構造の説明: 90 度回転して開いたりロックしたりできます。
| モデル | L1 | L2 | L3 | B1 | B2 | B3 |
| NEW AB402-A | 123 | 95.5 | 65 | 36.5 | 30 | 23.5 |
| NEW AB403-A | 91 | 62.5 | 65 | 33 | 28.5 | 23.5 |
| NEW AB401-A | 151 | 117 | 72 | 36 | 30 | 26.5 |
